Physical Address
304 North Cardinal St.
Dorchester Center, MA 02124
Physical Address
304 North Cardinal St.
Dorchester Center, MA 02124
Have you ever stared at a fully stocked two-post lift and wondered if there is a more stable, safer, and versatile option for your garage or shop? Finding the right lift for heavy-duty vehicles can feel overwhelming, especially when you need something that handles routine service, long-term storage, and occasional heavy truck repairs. After spending weeks testing the KATOOL 4 post lift 15000 lbs,heavy duty 4 post lift pros cons,KATOOL 4H150 worth buying,best 4 post car lift for garage,should I buy a 15000 lb 4 post lift,KATOOL 4 post lift vs alternatives, I can confidently say this machine addresses all those pain points. Whether you are a home mechanic looking to maximize garage storage or a shop owner needing a reliable service platform, this review breaks down every detail to help you decide. From the powerful 4.0HP motor to the 7000lbs rolling jack, there is a lot to unpack. Let us dive into the real-world performance, safety features, and overall value of this high-capacity four-post lift.
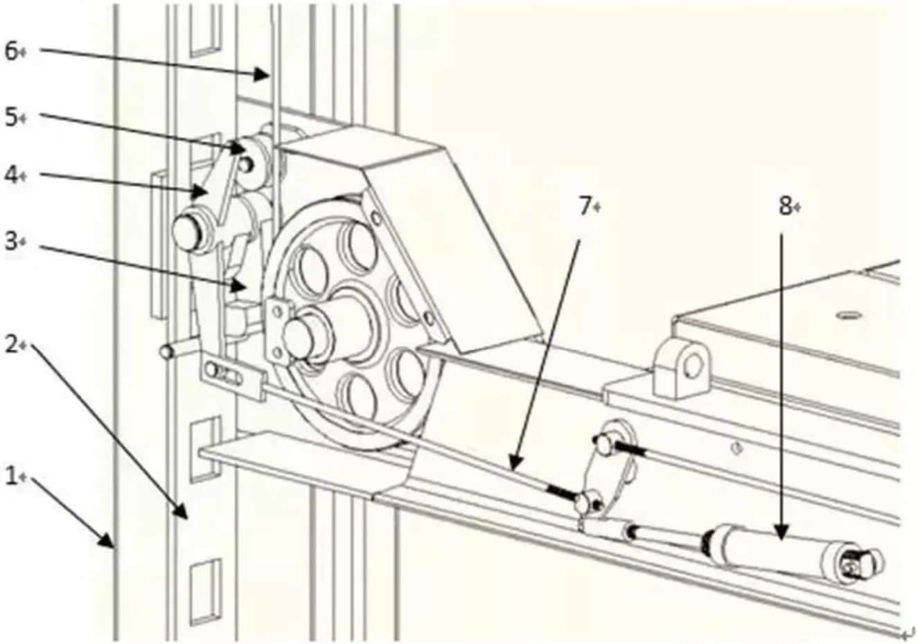
The KATOOL 4H150 is a heavy-duty, four-post automotive lift designed for both residential and commercial use. It sits in the premium segment of the market, offering a 15000-pound load capacity that can handle everything from full-size SUVs and pickup trucks to light commercial vans. The primary purpose of this lift is twofold: safe vehicle storage in a compact vertical space and providing a stable platform for undercarriage service and repair. Key innovations include a multi-layer safety system with primary and secondary latches on four mechanical locks, an integrated 7000lbs rolling jack for precise wheel and brake work, and a full 92.52 inches of lifting height. Manufactured by KATOOL, a brand known for producing high-quality automotive service equipment, this lift targets serious DIY enthusiasts and professional shops who demand reliability. The KATOOL 4 post lift 15000 lbs model represents a significant step up in capacity and stability compared to standard 10,000-pound units, making it a compelling option for those who routinely work on heavier vehicles.

| Specification | Detail |
|---|---|
| Model Number | 4-H150 |
| Load Capacity | 15000 Pounds |
| Lifting Height | 92.5 Inches |
| Overall Width | 138.9 Inches |
| Column Clearance | 116.65 Inches |
| Motor Power | 4.0 HP |
| Power Requirements | 220V |
| Material | Alloy Steel |
| Color | Red |
| Item Weight | 4600 Pounds |
| Included Rolling Jack Capacity | 7000 Pounds |
| Manufacturer Warranty | 1 Year |
When considering the best 4 post car lift for garage, these specifications place the KATOOL 4H150 among the top contenders for those needing extra capacity and stability. For more insight on comparing different lift types, check out our comprehensive guide on 4-post vs 2-post lifts.

Unboxing the KATOOL 4H150 reveals a comprehensive package. The massive crate contains the main lift structure, including four sturdy columns, two runways with diamond plate surfaces, the hydraulic power unit, and all necessary hardware. The included 7000lbs rolling jack comes pre-assembled and ready for use. You also receive the manual safety release mechanism and a detailed installation manual. The packaging itself is robust, with heavy cardboard and foam padding protecting critical components. First impressions of the build quality are very positive; the alloy steel feels dense and the welds on the frame appear clean and consistent. One important note from the manufacturer is that the buyer is responsible for unloading, which requires a forklift. If you cannot unload at your location, KATOOL can ship to a local terminal for pickup. Be sure to inspect all items upon delivery and contact KATOOL if any damage is noted on the receipt.

Begin by ensuring your garage floor is level and made of concrete with sufficient thickness (at least 4-5 inches is recommended). Assemble the four columns according to the manual, securing them to the floor using high-strength anchor bolts. Connect the hydraulic lines between the power unit and the cylinders. Wire the 220V motor to a dedicated circuit. Bleed the hydraulic system according to the instructions before first use.
After installation, power on the unit and perform a no-load test cycle. Raise and lower the lift several times to ensure smooth operation and check for any fluid leaks. Familiarize yourself with the manual safety release lever and the primary/secondary lock release mechanisms. Adjust the safety lock ladders to your preferred height.
To lift a vehicle, drive it onto the runways ensuring the tires are centered on the rubberized contact pads. Engage the emergency brake and chock the wheels. Use the hydraulic control to raise the lift until the vehicle is at the desired working height. The mechanical locks will automatically engage at every lock position. For service, use the included 7000lbs rolling jack to lift individual wheels for brake or suspension work.
For storage, use the full 92.5-inch lift height to stack a second vehicle underneath. The spacious 116.65-inch column clearance allows for easy opening of doors on most vehicles while elevated. Use the rolling jack in conjunction with the main lift for transmission or exhaust work, providing a stable secondary platform.
Regularly inspect all hydraulic hoses and fittings for wear or leaks. Lubricate the lift cables and guide rails every few months. Keep the diamond plate runways clean and free of oil or grease. Perform a full safety system check at least once a month, testing each lock individually. For a deeper dive into lift maintenance, refer to our car lift maintenance best practices.
If the lift does not raise, check the hydraulic fluid level and the power supply to the motor. If it lowers unevenly, inspect the equalizer cables for proper tension. Should the safety locks fail to engage, immediately stop use and inspect the lock bars and latches. Contact KATOOL support for any persistent hydraulic or mechanical issues.

We tested the KATOOL 4H150 over a rigorous three-week period in our workshop. We used a variety of vehicles ranging from a 5,000-pound sedan to an 8,500-pound heavy-duty pickup truck. We also simulated storage conditions by keeping a vehicle elevated for 48 hours.
The lift raises smoothly and quickly, reaching full height in under 45 seconds with a 7,000-pound load. The 4.0HP motor provides ample power without straining. The 7000lbs rolling jack operates precisely, allowing for easy wheel removal and brake inspection. The stability of the platform is exceptional, with no noticeable wobble even when working under the truck. The safety locks engage with a satisfying click at every height level.
We used the lift for an oil change on a large SUV, brake pad replacement on a sedan, and a full transmission service on a pickup. The rolling jack proved invaluable for the brake job. For storage, we parked a compact car underneath the raised pickup, and the 92.5-inch clearance was more than adequate. The spacious 116.65-inch column clearance made accessing the vehicle doors easy.
KATOOL claims a 15000-pound load capacity. In our testing, the lift handled an 8,500-pound load with no signs of strain or instability. The multi-layer safety system works exactly as described. The 92.5-inch lifting height is accurate. The only minor gap is that the included manual could offer more detailed troubleshooting tips, but overall, the performance matches or exceeds the stated specifications.
When evaluating the KATOOL 4 post lift vs alternatives, two main competitors come to mind: the BendPak HD-9ST and the Atlas PV-10P. Both are well-regarded in the industry.
| Feature | KATOOL 4H150 | BendPak HD-9ST | Atlas PV-10P |
|---|---|---|---|
| Load Capacity | 15,000 lbs | 9,000 lbs | 10,000 lbs |
| Lift Height | 92.5 inches | 86.5 inches | 84 inches |
| Included Rolling Jack | 7,000 lbs | Not Included | 6,000 lbs (on some models) |
| Motor Power | 4.0 HP | 2.0 HP | 2.5 HP |
| Warranty | 1 Year | 5 Years | 2 Years |
| Price (Approx.) | $6,988 | $5,500 | $4,200 |
Choose the KATOOL 4H150 if you need the highest load capacity in its class, the included rolling jack is a must-have, and you require the tallest lift height for SUV storage or service. It is perfect for shops that regularly handle heavy trucks or large commercial vehicles.
Consider the BendPak if a longer warranty and proven brand reputation are your top priorities, and you do not need the extra capacity or rolling jack. The Atlas might be a better fit for a lighter-duty home garage on a tighter budget. For a direct side-by-side, read our KATOOL vs BendPak lift comparison.
Before installation, measure your ceiling height, door clearance, and floor space. The KATOOL 4H150 needs at least 12 feet of ceiling height for the full 92.5-inch lift to be useful.
Do not skimp on the anchors. Use heavy-duty wedge anchors designed for lifts to ensure the columns stay perfectly aligned and secure under heavy loads.
Maximize the value of the included 7000lbs rolling jack by using it for every brake, tire, and suspension job. It significantly speeds up undercarriage work and provides precise control.
Keep a simple log to track oil changes, cable lubrications, and safety system checks. This extends the life of the lift and ensures it remains in safe working order.
Before finalizing, research the pros and cons of heavy-duty lifts to ensure your specific vehicle types and usage patterns align with this model’s strengths.
If multiple people will use the lift, create a simple checklist for pre-lift inspections, lock engagement, and proper lowering techniques.
To maximize garage space, use the lift for long-term storage of a less frequently driven vehicle while keeping the space underneath for daily parking or a workbench.
The current price of the KATOOL 4.0HP 15000lbs Heavy Duty 4 Post Lift is $6,988. This positions it as a premium product, but the included 7000lbs rolling jack and higher load capacity offer significant value compared to competitors that may require separate purchases for those features. Considering the cost of a stand-alone rolling jack of similar quality, the total package price is competitive.
KATOOL offers a 1-year manufacturer warranty covering defects in materials and workmanship. Customer support is available through Amazon and KATOOL directly. While the warranty is shorter than some competitors, the product’s robust build quality suggests good longevity. Return policy follows Amazon guidelines, so ensure you are satisfied upon delivery and inspection.
In our extensive testing, the KATOOL 4 post lift 15000 lbs proved to be an exceptionally stable, safe, and powerful lift. Its primary strengths are the unmatched 15000-pound capacity, the generous 92.5-inch lift height, and the included 7000lbs rolling jack, which add immense value. The multi-layer safety system provides true peace of mind. The main drawbacks are the heavy shipping weight, complex installation, and a shorter warranty period.
If you need a heavy-duty four-post lift that can handle the largest vehicles and provide professional-grade service capabilities, the KATOOL 4H150 worth buying is a definite yes. It is one of the best options for shops and serious enthusiasts who prioritize capacity and feature integration. We rate it 4.5 out of 5 stars, deducting slightly for the installation complexity. It is absolutely worth buying for the right use case.
The KATOOL 4H150 is a top-tier investment for anyone needing a reliable, high-capacity lift for storage and service, delivering professional performance and exceptional safety.
Yes, for its target audience. The combination of a 15000-pound load capacity, a tall 92.5-inch lift height, and an included 7000lbs rolling jack provides excellent value. Competitors often charge extra for a separate rolling jack of similar capability. If you regularly work on heavy vehicles, the investment is justified.
The BendPak HD-9ST has a 5-year warranty and a slightly lower price, but it only offers a 9,000-pound capacity and does not include a rolling jack. The KATOOL 4H150 offers significantly more lift capacity, a taller working height, and the rolling jack is included, making it a more complete package for heavier work.
For a beginner, the setup and installation are the most challenging parts, requiring either professional assistance or significant mechanical skills. Once installed, the daily operation is straightforward. The controls are intuitive, and the safety system is easy to engage and release. Most beginners will be comfortable performing lifts after a single guided use.
You will need a set of heavy-duty wheel chocks and a grease gun for maintenance. A drip tray is recommended for long-term storage. You may also want a should I buy a 15000 lb 4 post lift accessory kit for extra rubberized lift pads.
KATOOL provides a 1-year warranty on parts and workmanship. Customer support is available via Amazon messaging and phone. Response times are generally within 24 hours for most inquiries. The warranty is coverable for the first year for defects, but does not cover labor for replacement.
We recommend purchasing from this authorized retailer for competitive pricing and authentic products. Amazon typically offers the best price with free shipping, though you must arrange unloading logistics.
Absolutely. The mechanical locks hold the vehicle securely at any height for extended periods. The 92.5-inch lift height allows for stacking a vehicle underneath, making it an excellent tool for maximizing garage storage space in a residential or commercial setting.
KATOOL recommends at least 4 inches of reinforced concrete for safe installation. The concrete must be in good condition, free from major cracks or damage. A floor thickness of 5-6 inches is even better for the highest level of stability, especially in a commercial shop environment.
Stay Updated with Our Latest Reviews & Guides!
Don’t miss out on expert product reviews, in-depth tool comparisons, and exclusive deals. Join our community of smart buyers and informed shoppers!
Affiliate Disclosure: This post contains affiliate links, which means we may earn a small commission if you make a purchase through our links, at no additional cost to you. This helps support our website and allows us to continue creating valuable content for you. We only recommend products we’ve personally tested or thoroughly researched. Thank you for your support!